Редукторы цилиндрические одноступенчатые горизонтальные 1ЦУ
|
Поделитесь страницей в Социальных сетях
|
|
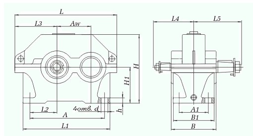
 Корпус редуктора и крышка литые чугунные (Корпуса и крышки редукторов малых размеров могут быть изготовлены из алюминиевых сплавов), соединены двумя коническими штифтами и болтами в горизонтальной плоскости. Вал-шестерня (входной вал) вращается на двух конических роликоподшипниках. Вал шестерня находится в зацеплении с зубчатым колесом, напрессованным на выходной вал, который вращается на двух конических роликоподшипниках. Зубчатое зацепление эвольвентное косозубое. Регулировка подшипников осуществляется набором регулировочных колец и, устанавливаемых между торцом наружного кольца подшипника и закладными крышками. Неподвижные соединения уплотняются прокладками, а выходные концы валов - манжетами. Для залива масла в редуктор в крышке имеется отверстие, закрытое пробкой. Сливается масло через отверстие в нижней части корпуса, закрытое пробкой. Для контроля за уровнем масла служит контрольная пробка. Смазка осуществляется из общей масляной ванны: деталей зацепления -окунанием, подшипников - разбрызгиванием. В редукторах 1ЦУ-200 и 1ЦУ-250 предусмотрена струйная смазка, для чего в крышке установлено сопло.
Вас также могут заинтересовать
"Редукторы зубчатые цилиндрические одноступенчатые узкие горизонтальные общего назначения типа 1ЦУ предназначены для увеличения крутящих моментов и уменьшения частоты вращения и эксплуатации в макрокл
Назначение: Редукторы цилиндрические двухступенчатые горизонтальные типоразмеров РК-500, РК-600 используются в приводах различных машин и механизмов для изменения крутящих моментов и частоты вращения.
"Редукторы цилиндрические одноступенчатые узкие горизонтальные общемашиностроительного применения типов 1ЦУ-100, 1ЦУ-160, 1ЦУ-200, 1ЦУ-250 предназначены для увеличения крутящего момента и уменьшения ч
"Редукторы 1ЦУ 100, 1ЦУ 160, 1ЦУ 200, 1ЦУ 250 Наименование технических характеристик Типоразмер редуктора 1ЦУ-100 1ЦУ-160 1ЦУ-200 1ЦУ-250 Передаточные числа 2; 2,5; 3; 15; 4; 5; 6,3 Допускаемая радиал
"Редуктор 1ЦУ 100- механическое приспособление, передающее энергию вращения от одного к другому валу. Применяется в машиностроении. Область применения Устройство используется в оборудовании: • Упаково
Внимание! Информация по Редукторы цилиндрические одноступенчатые горизонтальные 1ЦУ предоставлена компанией-поставщиком Сибэлпром (СЭП), ООО. Для того, чтобы получить дополнительную информацию, узнать актуальную цену или условия постаки, нажмите ссылку «Отправить сообщение».
|