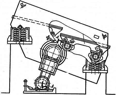
Грохот инерционный колосниковый тяжёлого типа СМД-113
|
Поделитесь страницей в Социальных сетях
|
|
 Главное предназначение грохота, разделение сыпучих материалов на мелкие фракции. Насыпная плотность не должна превышать 2,5 т/м3. Идеально подходит для проведения сепарации перед первичным дроблением. Допустимый размер куска может доходить до 1 м. Грохот состоит из короба с одним ярусом колосниковой просеивающей поверхности и привода. Применяя данный вид грохота, отпадает необходимость контроля размеров куска предназначенных для грохочения. Производительность грохота очень высока. Тем не менее, необходимо учитывать условия грохочения. В каждом конкретном случае он может отличаться. Базовая конструкция грохота выполнена качественно. Это залог безупречной и надежной работы всех узлов грохота.Главное предназначение грохота, разделение сыпучих материалов на мелкие фракции. Насыпная плотность не должна превышать 2,5 т/м3. Идеально подходит для проведения сепарации перед первичным дроблением. Допустимый размер куска может доходить до 1 м. Грохот состоит из короба с одним ярусом колосниковой просеивающей поверхности и привода. Технические характеристики: Общая производительность грохота, м3/ч зависит от конкретного случая условий грохочения Размер просеивающего сита, м. ширина 1,50 длина 3 Допустимый наклон грохота в градусах 10-30 Наивысший размер загружаемого материала, м. 1 Размер щели между колосниками, см. 5-25 Амплитуда колебаний, мм 3,5-4,0 Мощность электрического двигателя, кВт 17 Рзмеры грохота, м. длина 3,50 ширина 2,20 высота 1,50 Общая масса, т 4,9
Вас также могут заинтересовать
Инерционный грохот типа ГИТ предназначен только для просеивания сухой руды. Максимальная крупность просеиваемого материала может доходить до 40 см. Рекомендуется использовать материал, плотность котор
Применение грохота типа ГИТ направлено на обработку сухой руды. Насыпная масса может достигать 2,5 т/м3. Основное применение данных грохотов обогатительные и дробильно-сортировочные предприятия. Крупн
Основное предназначение грохота СМД-148, просеивание сыпучих материалов через специальное решето. Насыпная плотность материала не должна превышать 1,8 т/м3. Грохот имеет наклонную просеивающую поверхн
Грохоты инерционные в Красноярске Просмотреть на сайте компанииСообщить о нарушении написать письмо Кому Горные машины, ЗАО Тема Ф.И.О. Название компании Ваш E-mail Страна Австралия Австрия Азербайдж
Тип грохота и назначение грохота: Инерционные (для классификации сыпучих материалов и твердой фазы пульпы) Производительность по питанию (в зависимости от крупности разделения), т/ч: 60 Максимальная к
Внимание! Информация по Грохот инерционный колосниковый тяжёлого типа СМД-113 предоставлена компанией-поставщиком Металлпартнер, ООО. Для того, чтобы получить дополнительную информацию, узнать актуальную цену или условия постаки, нажмите ссылку «Отправить сообщение».
|