Поиск:
 

Клапан обратный Н05.355 встроенный незамерзающий

RU-1000 Рейтинг
Поделитесь страницей в Социальных сетях
Клапан обратный Н05.355 встроенный незамерзающий

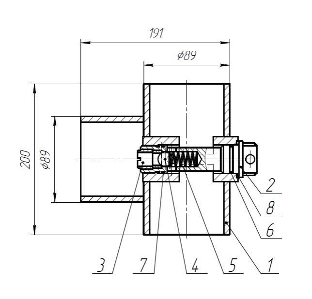
Клапан обратный Н05.355 встроенный незамерзающий предназначен для перепуска рабочей среды из затрубья в рабочее пространство устьевого оборудования нефтяных, газовых и нагнетательных скважин. Устанавливается в линию затруба, либо на пересечении линии затруба и выкида. Запорный орган клапана выполнен из нержавеющей стали. Клапан Н05.355 предназначен для эксплуатации в климатических условиях УХЛ категории размещения 1 по ГОСТ 15150-69.

Рабочая среда нефть, вода, газ. Рабочая температура окружающей среды от -60°С до +40°С. Температура рабочей среды 120 ºС.  Рабочее давление 21 Мпа. Давление срабатывания клапана 0,4…0,5Мпа. Присоединительные размеры под приварку по ГОСТ 16037-80. Клапан состоит из сварного корпуса 1, в бобышках которого расточено отверстие под установку непосредственно самого обратного клапана, состоящего из ввертыша 2, держателя седла 3, пары 4 «седло-шарик», клапанной пружины 5, уплотнительных колец 6;7 и прокладки 8.

Вас также могут заинтересовать

Клапан обратный поворотный фланцевый чугунный с противовесом 19ч19р

Клапан обратный поворотный фланцевый чугунный с противовесом 19ч19р 19ч19р предназначен для пропуска рабочей среды в направлении потока и предотвращения ее движение в противоположном направлении, защ

Клапан обратный устьевой незамерзающий быстросъемный Н05.355-02

Клапан обратный устьевой незамерзающий быстросъемный Н05.355-02 предназначен для перепуска рабочей среды из затрубья в рабочее пространство устьевого оборудования нефтяных, газовых и нагнетательных ск

Клапан обратный устьевой незамерзающий быстросъемный Н05.355-02

Клапан обратный устьевой незамерзающий быстросъемный Н05.355-02 предназначен для перепуска рабочей среды из затрубья в рабочее пространство устьевого оборудования нефтяных, газовых и нагнетательных ск

Клапан обратный поворотный титановый 19тн53нж

Обратный клапан — это устройство, предназначенное для беспрепятственного пропуска жидкой, газообразной или смешанной рабочей среды по трубопроводу в одном направлении и обеспечивающее автоматическое п

Клапан обратный поворотный чугунный с обрезиненным диском 302А,

Клапан обратный поворотный 302A - фланцевый обратный клапан с поворотным запорным элементом и обрезиненным диском. Одним из основных преимуществ клапана 302A является его экологическая безопасность, м
Внимание!
Информация по Клапан обратный Н05.355 встроенный незамерзающий предоставлена компанией-поставщиком НПП Обуховская промышленная компания. Для того, чтобы получить дополнительную информацию, узнать актуальную цену или условия постаки, нажмите ссылку «Отправить сообщение».
Контакты компании
Страна
Россия
Телефон
+78312955061
Интернет
dromash.ru
Сделать запрос
Введите свое имя
Укажите свой Email
Напишите ваш вопрос
Подтвердите согласие