Выпрямительный столб КЦ из кремниевых диффузионных диодов 106Б
|
Поделитесь страницей в Социальных сетях
|
|
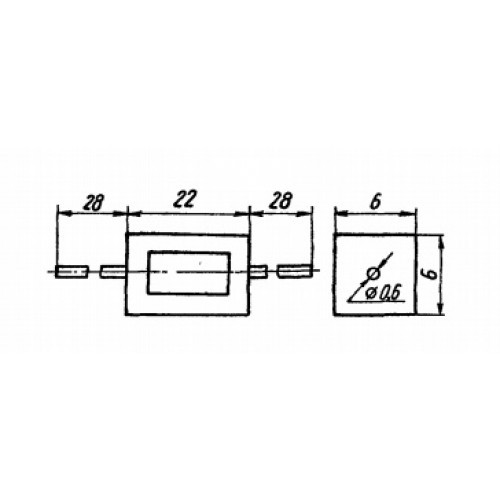
 Наименование КЦ106Б Функциональная группа Диод Функциональный тип выпрямительный столб Английская транскрипция KC106B Тип вывода гибкий Метод монтажа tht Рабочее положение любое Дата выпуска 01.01.1992 Торговая марка ПО Фотон, Ташкент Страна происхождения Узбекистан ТУ 0.362.004 ТУ Вид приемки "1" Фактическая маркировка черная точка на торце корпуса Масса изделия gr 1,46 Кратность отгрузки 1 Цвет изделия оранжевый Состояние упаковки самоупаковка Интервал рабочих температур, °C от -55 до +85 Габаритные размеры L*W*H mm 6х6х75 Высота корпуса 23 mm Длина выводов 27 mm Материал корпуса пластмасса Рабочая частота 20 kHz Максимальное время восстановления 3,5 µs Максимальный прямой (выпрямленный за полупериод) ток 10 mA Максимальный обратный ток, Iобр 5 µA Максимальное постоянное обратное напряжение 6000 V Максимальное прямое напряжение 25 V Выпрямительный столб КЦ106Б из кремниевых, диффузионных диодов. Предназначен для преобразования переменного напряжения частотой до 20 кГц. Конструктивно оформлен в пластмассовом корпусе с гибкими выводами, на котором указывается тип столба. Положительный вывод отмечен точкой на торце корпуса.
Вас также могут заинтересовать
Колпаки (оголовки, крышки) торговой марки «Песчанка», изготовленные из полимер-песчаного композита обладают набором уникальных свойств: Легкий монтаж в любое время года; Срок службы полиме
Наименование КЦ407А Функциональная группа Диодный мост Английская транскрипция KC407А Метод монтажа tht Рабочее положение любое Торговая марка No trademark Масса изделия gr 0,5 Кратность
Наименование Д1009 Функциональная группа Диод Функциональный тип выпрямительный столб Английская транскрипция D1009 Тип вывода жесткий Метод монтажа Клеммы, пайка Рабочее положение любое
Наименование Д1008 Функциональная группа Диод Функциональный тип выпрямительный столб Английская транскрипция D1008 Тип вывода жесткий Метод монтажа Механический Рабочее положение любое
Наименование 2Ц106Б Функциональная группа Диод Функциональный тип выпрямительный столб Английская транскрипция 2C106B Тип вывода гибкий Метод монтажа tht Рабочее положение любое Дата вып
Внимание! Информация по Выпрямительный столб КЦ из кремниевых диффузионных диодов 106Б предоставлена компанией-поставщиком Ай-Пи-Электроникс, ООО. Для того, чтобы получить дополнительную информацию, узнать актуальную цену или условия постаки, нажмите ссылку «Отправить сообщение».
|