Терморезистор ММТ-4а 12 кОм±20%
|
Поделитесь страницей в Социальных сетях
|
|
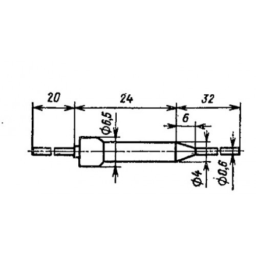
 Наименование Терморезистор ММТ-4а 12 кОм±20% Функциональная группа Терморезистор с отрицательным ТКС Функциональный тип прямого подогрева Минимальная наработка часов 15000 Минимальный срок сохраняемости, лет 15 Дата выпуска 01.01.1991 Торговая марка ОАО Алмаз, Котовск, Тамбовская обл. Страна происхождения СССР ТУ ОЖО 468.086 ТУ Вид приемки "5" Метод монтажа tht Герметичность герметизированный Конструктивные особенности стержневой Вид упаковки картонная коробка Состояние упаковки заводская Кратность отгрузки 1 Габаритные размеры L*W*H mm 76х6,5х6,5 Высота корпуса 24 mm Длина выводов 25±5 mm Масса изделия gr 1,85 Английская транскрипция MMT-4a 12k?±20% Интервал рабочих температур, °C от -60 до +125 Относительная влажность, % до 98% при температуре до +35°С Максимальная мощность рассеивания 560 mW Номинальное сопротивление 12 k? Допустимое отклонение ±20% Постоянная времени не более 115с Терморезистор ММТ-4а 12 кОм±20% герметизированный, неизолированный, стержневой. Предназначен для измерения и регулирования температуры в электрических цепях постоянного, пульсирующего и перменного тока частотой до 400 Гц, а также для температурной компенсации элементов электрической цепи с положительным ТКС. Максимальная мощность рассеяния 560 мВт. Номинальное сопротивление 12 кОм.
Вас также могут заинтересовать
Наименование Терморезистор ММТ-4а 33 кОм±20% Функциональная группа Терморезистор с отрицательным ТКС Функциональный тип прямого подогрева Минимальная наработка часов 15000 Минимальный срок сох
Наименование Терморезистор ММТ-4а 150 кОм±20% Функциональная группа Терморезистор с отрицательным ТКС Функциональный тип прямого подогрева Минимальная наработка часов 15000 Минимальный срок со
Наименование Терморезистор ММТ-4а 33 кОм±20% Функциональная группа Терморезистор с отрицательным ТКС Функциональный тип прямого подогрева Минимальная наработка часов 15000 Минимальный срок сох
Наименование Терморезистор ММТ-4а 150 кОм±20% Функциональная группа Терморезистор с отрицательным ТКС Функциональный тип прямого подогрева Минимальная наработка часов 15000 Минимальный срок со
Наименование Терморезистор ММТ-4а 12 кОм±20% Функциональная группа Терморезистор с отрицательным ТКС Функциональный тип прямого подогрева Минимальная наработка часов 15000 Минимальный срок сох
Внимание! Информация по Терморезистор ММТ-4а 12 кОм±20% предоставлена компанией-поставщиком Ай-Пи-Электроникс, ООО. Для того, чтобы получить дополнительную информацию, узнать актуальную цену или условия постаки, нажмите ссылку «Отправить сообщение».
|