Поиск:
 

Сцепление автомобильное

RU-1000 Рейтинг
Поделитесь страницей в Социальных сетях
Сцепление автомобильное
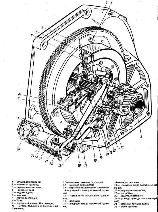
Главной задачей сцепления является кратковременное отключение двигателя от коробки переключения передач, а также плавное соединение этих агрегатов при работающем двигателе. Сцепление предотвращает резкое изменение нагрузки, обеспечивает ровное трогание автомобиля с места, а также предохраняет детали трансмиссии от перегрузок инерционным моментом, который создается вращающимися деталями мотора при резком замедлении вращения коленчатого вала.
Вас также могут заинтересовать

Диски и накладки сцепления автомобильные

"Диски и накладки сцепления автомобильные Сцепле?ние — механизм, работа которого основана на действии силы трения скольжения (фрикционная муфта); предназначен для передачи крутящего момента. Обычно те

Диски и накладки сцепления автомобильные

Диски и накладки сцепления автомобильные

Сцепление автомобильное

Автомобильное сцепление необходимо для того, чтобы краткосрочно отсоединить коленчатый вал двигателя от коробки передач, и для их постепенного совмещения, которые нужны при переключении передач, и в т

Сцепление автомобильное

Автоспорт предъявляет к технике еще более жесткие требования, чем спортивный стиль езды на обычных автомобилях: температура до 1000°С, более 13000 об/мин, крутящие моменты до 1400 Нм. Для выполнения т

Сцепление автомобильное

Передачи в механической коробке передач могут переключаться. Для этого водитель должен переместить рычаг переключения передач, в результате чего происходит зацепление или расцепление пары шестерен. Эт
Внимание!
Информация по Сцепление автомобильное предоставлена компанией-поставщиком Балтийский ресурс, ООО. Для того, чтобы получить дополнительную информацию, узнать актуальную цену или условия постаки, нажмите ссылку «Отправить сообщение».
Контакты компании
Страна
Россия
Город
Санкт-Петербург
Адрес
просп. Ленинский, д.140
Телефон
+7 (812) 7030936, 7030937
Сделать запрос
Введите свое имя
Укажите свой Email
Напишите ваш вопрос
Подтвердите согласие