Запчасти для сельхозтехники МТЗ-923 Управление рулевое гидрообъемное |
||
|
Поделитесь страницей в Социальных сетях
|
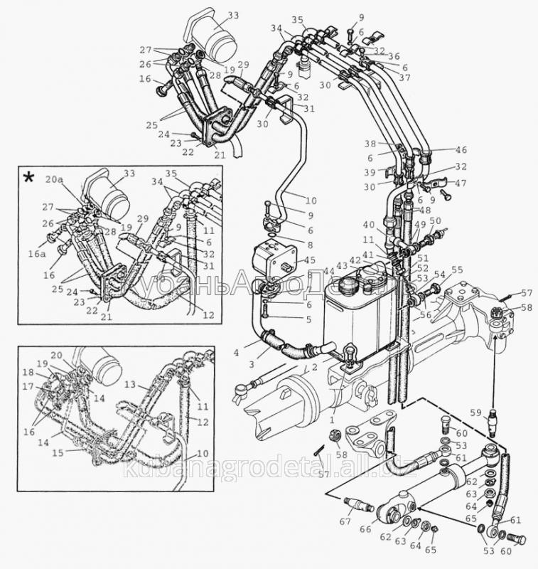
![]() Вас также могут заинтересовать Запчасти для сельхозтехники МТЗ-923 Управление раздаточной коробкой№ Номер детали Наименование детали 1 8х30 Палец 2 3,2х18 Шплинт 3 952-1802012-01 Вилка 4 М10 Гайка 5 822-1802012 Тяга 5 822-1802012-01 Тяга 6 50-1702148-А Пружина фиксаЗапчасти для сельхозтехники МТЗ-923 Управление БД, ВОМ и редуктором (мультипликатором)№ Номер детали Наименование детали 1 ВК12-5 Выключатель 2 50-1702048 Прокладка 3 822-8700021 Труба 4 1221-8700022 Хомут 5 М8х16 Болт 6 ШП8 Шайба 7 1221-3724840 ЖгутЗапчасти для сельхозтехники МТЗ-923 Управление сцеплением№ Номер детали Наименование детали 1 822-1602020 Педаль 2 922-1602180 Маслопровод 3 822-3502203 Вилка 4 3,2х18 Шплинт 5 50-3406037 Шайба упорная 6 М10 Гайка 7 4х36 ШплиЗапчасти для сельхозтехники МТЗ-082 Управление рулевое (вариант) 082-3405№ Номер детали Наименование детали 1 10Т Шайба ОСТ 37.001.115-75 2 М10-6gх25.88.35.019 Болт ГОСТ 7796-70 3 80-3003010-03 Тяга рулевая 4 082-3405002 Сошка 5 70-3003024 КонтргайкаЗапчасти для сельхозтехники МТЗ-082 Управление рулевое 082-3405№ Номер детали Наименование детали 0 082-3405020 Тяга рулевая (3, 8-11) 1 10Т Шайба ОСТ 37.001.115-75 2 М10-6gх25.88.35.019 Болт ГОСТ 7796-70 3 А35.32.000А-02 Шарнир 4 082-340500
Внимание! Информация по Запчасти для сельхозтехники МТЗ-923 Управление рулевое гидрообъемное предоставлена компанией-поставщиком КубаньАгроДеталь, ООО. Для того, чтобы получить дополнительную информацию, узнать актуальную цену или условия постаки, нажмите ссылку «Отправить сообщение». |
|
|
О проекте
Поставщики машин и оборудования
Профессионалы строительного рынка
|
Редакция портала не несет ответственности за достоверность информации, опубликованной компаниями в новостях, статьях, описании товаров и в рекламных материалах.
|
