Запчасти для сельхозтехники МТЗ-923 Механизм управления коробкой передач
|
Поделитесь страницей в Социальных сетях
|
|
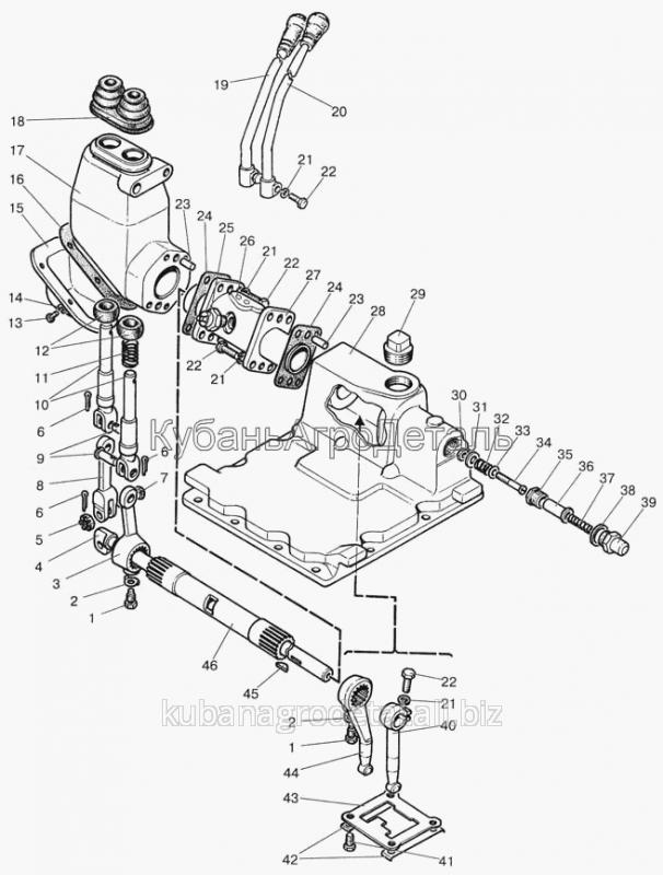
 № Номер детали Наименование детали 0 922-1702090 Корпус (1-18, 23, 24, 45, 46) 0 922-1702090-02 Корпус (1-18, 23, 24, 45, 46) 1 922-1702021 Болт 2 50-1702107 Шайба 3 922-1702017 Рычаг 4 922-1702020 Вал 4 923-1702020 Вал 5 М12 Гайка 6 3,8х18 Шплинт 7 80-1702108 Болт 8 922-1702018 Вилка 9 12х32 Палец 10 80С-1702074 Вилка 11 77.37.117 Пружина 12 142-1702032 Сфера 13 М6х14 Болт 14 ШП6 Шайба 15 922-1702023 Крышка 16 922-1702024 Прокладка 17 922-1702011 Корпус 17 922-1702090 Корпус (1-18, 23, 24, 45, 46) 17 922-1702090-02 Корпус (1-18, 23, 24, 45, 46) 18 922-1702019 Чехол 19 922-1702060 Рычаг 19 923-1702060 Рычаг 20 922-1702050 Рычаг 20 923-1702050 Рычаг 21 ШП10 Шайба 22 М10х30 Болт 23 ШЦК10х25 Штифт 24 922-1702026 Прокладка 25 ВК12-4 Выключатель блокировки промежуточного реле 26 923-1702023 Заглушка 27 922-1702012 Проставка 27 922-1702012-01 Проставка 28 922-1702025 Крышка 29 ПК КГ1 1/4'' Пробка 30 М8 Гайка 31 ШЧ8 Шайба 32 А09.01.023 Пружина 33 ШЧ8 Шайба 34 922-1702022 Винт 35 80С-1702301 Втулка 36 922-1702303 Фиксатор 37 922-1702304 Пружина 38 80-1702098 Шайба 39 80С-1702302 Корпус 40 70-1703011 Рычаг 41 М10х18 Болт 42 50-1702107-А Пластина стопорная 43 922-1703084 Пластина 44 922-1702016 Рычаг 45 СШ611 Шпонка 6х11 46 922-1702015 Труба 46 923-1702015 Труба
Вас также могут заинтересовать
№ Номер детали Наименование детали 1 50-1702063 Валик 2 74-1702096 Вилка переключения 2-й и 3-йпередач 3 922-1702095 Поводок 4 10,0-60 Шарик ГОСТ 3722-81 5 50-1702085 Корпус вило
№ Номер детали Наименование детали 1 85-4216125 Маслопровод 2 Д18-051 Болт 3 85-4216130 Маслопровод 4 Д18-055-А Шайба 5 12-20/9 Хомут 6 822-4802062-02 Шланг соединительный
№ Номер детали Наименование детали 0 240-1001010-А Опора в сборе 0 240-1002060-А Крышка шестерен в сборе 0 240-1002115 Горловина с кольцом пружинным и патрубком в сборе 0 245-0000100-
№ Номер детали Наименование детали 0 922-1702080 Корпус (2-5, 8-12, 15, 19, 20) 1 50-1702063 Валик 2 74-1702096 Вилка переключения 2-й и 3-йпередач 3 922-1702095 Поводок 4 10,0-6
№ Номер детали Наименование детали 0 70-2409010-Б Муфта блокировочная в сборе 0 70-2409010-Б-01 Муфта блокировки 0 82Р-2409050-03 Переходник (10-18) 1 70-2409015-А Корпус муфты 2
Внимание! Информация по Запчасти для сельхозтехники МТЗ-923 Механизм управления коробкой передач предоставлена компанией-поставщиком КубаньАгроДеталь, ООО. Для того, чтобы получить дополнительную информацию, узнать актуальную цену или условия постаки, нажмите ссылку «Отправить сообщение».
|