Поиск:
 

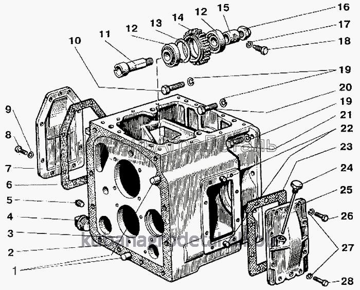
Запчасти для сельхозтехники МТЗ-900 Корпус коробки передач. Привод ПВМ

RU-1000 Рейтинг
Поделитесь страницей в Социальных сетях
Запчасти для сельхозтехники МТЗ-900 Корпус коробки передач. Привод ПВМ
№ Номер детали Наименование детали 1 50-4605027 Штифт 2 50-1701026 Прокладка 3 50-1701025-А Корпус 4 Пробка Р5М 1 1/4 Пробка Р5М 1 1/4 5 Пробка КО 3/8 Пробка КО 3/8 6 50-1701459 Прокладка 7 50-1701458 Крышка правая 8 Болт М10х35 Болт М10х35 9 Шайба ШП10 Шайба ШП10 10 Болт М16Х100 Болт М16Х100 11 52-1802094-А2 Ось 12 Подшипник 7306К Подшипник 7306К 13 52-1802097 Кольцо 14 52-1802091 Шестерня 15 52-1802092-В Втулка 16 72-1802128 Гайка 17 Шайба ШП12 Шайба ШП12 18 52-1802093 Винт 19 Шайба ШП16 Шайба ШП16 20 Болт М16х60 Болт М16х60 21 Болт М16х50 Болт М16х50 22 001-015 Штифт 23 50-1701456-А Прокладка 24 70-1701410 Щуп 25 70-1701454-А Крышка левая 26 Болт М12х35 Болт М12х35 27 Шайба ШП12 Шайба ШП12 28 Болт М16х45 Болт М16х45
Вас также могут заинтересовать

Запчасти для сельхозтехники МТЗ-1222/1523 Коробка передач 1222-1700010

№ Номер детали Наименование детали 0 1222-1700010 Коробка передач в сборе 0 1222-1700010-01 Коробка передач 1 М16х45 Болт 2 ШП16 Шайба 3 85-4608086-А Прокладка 4 85-4608087

Запчасти для сельхозтехники МТЗ-80 (2009) Коробка передач. Корпус коробки передач

№ Номер детали Наименование детали 0 70-1700010-Б1 Коробка передач 0 72-1700010-Б1 Коробка передач 1 50-1701025А Корпус коробки передач 2 50-1701026 Прокладка 3 50-4605027 Штифт

Запчасти для сельхозтехники МТЗ-900 Редуктор конечной передачи

№ Номер детали Наименование детали 0 52-2308100-03 Верхняя коническая пара 0 72-2308005-07 Редуктор левый 0 72-2308010-07 Редуктор правый 0 72-2308075 Рычаг левый 0 82-2308100 Ве

Запчасти для сельхозтехники МТЗ-900 Насос топливный высокого давления

№ Номер детали Наименование детали 0 16-С13-1Б Клапан перепускной в сборе 0 4УТНМ-1111090-01 Толкатель в сборе 0 4УТНМ-1111410-02 Плунжерная пара в сборе 0 4УТНМ-Т-1111005-20 Насос то

Запчасти для сельхозтехники МТЗ-900 Масляный картер

№ Номер детали Наименование детали 0 240-1401010-А-01 Картер масляный в сборе 1 240-1401059-01 Сальник передний 2 50-1401063-В1 Прокладка 3 240-1401065-01 Сальник 4 50-1401067 Ша
Внимание!
Информация по Запчасти для сельхозтехники МТЗ-900 Корпус коробки передач. Привод ПВМ предоставлена компанией-поставщиком КубаньАгроДеталь, ООО. Для того, чтобы получить дополнительную информацию, узнать актуальную цену или условия постаки, нажмите ссылку «Отправить сообщение».
Контакты компании
Страна
Россия
Регион
Краснодарский край
Город
Абинск
Адрес
Усть-Лабинск, ул. Краснодарская, д. 1-А
Телефон
+7 (86135) 50261
Сделать запрос
Введите свое имя
Укажите свой Email
Напишите ваш вопрос
Подтвердите согласие