Поиск:
 

Кран козловой 16 (ТУ 24.09.404-83)

RU-1000 Рейтинг
Поделитесь страницей в Социальных сетях
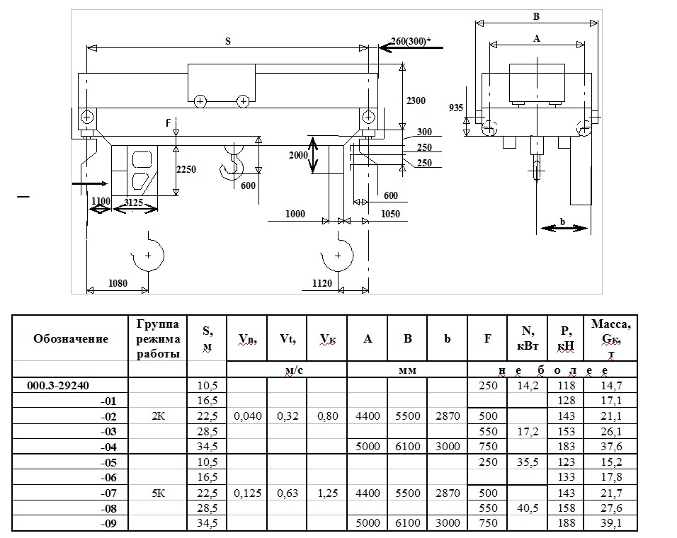
Кран  козловой 16  (ТУ 24.09.404-83)
"ТЕХНИЧЕСКАЯ ХАРАКТЕРИСТИКА 1. Грузоподъемность, - 16 2. Высота подъема, - 16 3. Группа режима работы- см. табл. 4. Скорость, м/с подъема главного крюка, Vn - см. табл. передвижения тележки, Vt - см. табл. передвижения крана, Vk - см. табл. 5. Нагрузка на колесо, Р, кН - см. табл. 6. Установленная мощность, N, кВт - см. табл. 7. Конструктивная масса, Gк, т - см. табл. 8. Исполнение и категория размещения - У1; У3 9. Род тока и напряжение силовой цепи - переменный - 380 В; 50 Гц 10. Температура окружающей среды, град. С -40...+40 11. Тип кранового рельса - Р43, КР70-Л"
Вас также могут заинтересовать

Кран 5-7К (ТУ 24.09.656-86) 000.3-35408ГЧ

"Кран 5-7К (ТУ 24.09.656-86) 000.3-35408ГЧ ТЕХНИЧЕСКАЯ ХАРАКТЕРИСТИКАГрузоподъемность, т - 5 Высота подъема, м - 12,5 Группа режима работы - 7К Скорость номинальная, м/с подъема, Vn - 0,25 передвижени

Кран козловой УП16-2К (ТУ 24.09.404-83) 000.3-29278ГЧ

"Кран козловой УП16-2К (ТУ 24.09.404-83) 000.3-29278ГЧ1. * Размер указан для кранового рельса типа КР-100 (КР-120) по согласованию с Изготовителем. 2.Кран запрещается использовать во взрыво-пожароопас

Кран козловой 10 т (ТУ 24.09.646-90) 000.3-34472ГЧ

Кран козловой 10 т - xарактеристики: Производитель: Россия Грузоподъёмность: 10 тн Длина пролета: 12.5, 16, 20, 25 метров Исполнение: общепромышленное Температурный режим: -20 - +40 Питающее напряжени

Кран 5 т управляемый с пола (ТУ 24.09.404-83) 000.3-34475ГЧ

"Кран 5 т управляемый с пола (ТУ 24.09.404-83) 000.3-34475ГЧ ТЕХНИЧЕСКАЯ ХАРАКТЕРИСТИКА 1. Грузоподъемность, т- 5 2. Высота подъема, м - 12,5 3. Группа режима работы - А2 4. Скорость, м/с подъема - 0,

Кран козловой 10 т управляемый с пола (ТУ 24.09.404-83)

Кран козловой 10 т управляемый с пола (ТУ 24.09.404-83) Козловые краны - краны мостового типа, мост (пролётные строения) которых установлен на опоры, перемещающиеся по подкрановым путям. Наиболее расп
Внимание!
Информация по Кран козловой 16 (ТУ 24.09.404-83) предоставлена компанией-поставщиком Вм техникс, ООО. Для того, чтобы получить дополнительную информацию, узнать актуальную цену или условия постаки, нажмите ссылку «Отправить сообщение».
Контакты компании
Страна
Россия
Регион
Московская область
Город
Москва
Адрес
Москва, Ленинский просп., д. 44
Телефон
+7 (499) 3900117
Интернет
vmtehnix.ru
Сделать запрос
Введите свое имя
Укажите свой Email
Напишите ваш вопрос
Подтвердите согласие