Поделитесь страницей в Социальных сетях
|
|
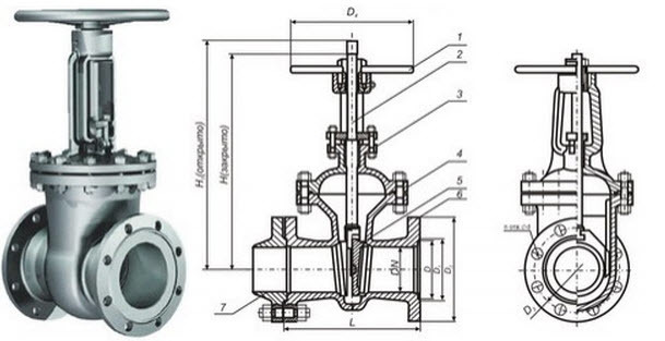
 "Задвижки стальные литые клиновые PN 2,5 МПа Задвижки предназначены для установки в качестве запорного устройства на технологических линиях, эксплуатируемых в районах с холодным и умеренным климатом.Среда:природный газ, вода, водяной пар, нефтепродукты и другие жидкие и газообразные нефтехимические продуктыДиапазон температур рабочей среды: при t от -60 до +425°С сталь 20ГЛ; при t от -60 до +565°С сталь 12Х18Н9ТЛ, сталь 12Х18Н12М3ТЛ; Присоединение к трубопроводу:фланцевое с присоединительными размерами по ГОСТ 12815-80 Материал корпуса:стали 20Л (c), 20ГЛ(лс), 12Х18Н9ТЛ (нж), 12Х18Н12М3ТЛ. Герметичность затвора:по ГОСТ 9544-93 Климатическое исполнение:У, ХЛ по ГОСТ 15150-69 Привод:ручной (маховик), редуктор конический, электропривод. Разновидности клиновых задвижек Благодаря простоте конструкции и высокой надежности, клиновые задвижки широко применяются в различных трубопроводных системах. Они называются так потому, что уплотнительные кольца в них находятся не параллельно друг другу, а под небольшим углом. Каждая задвижка клиновая имеет запирающий элемент, который перемещается перпендикулярно рабочей среде. Он может принадлежать к одному из трех типов: двухдисковому, упругому или жесткому однодисковому. Двухдисковая задвижка клиновая отличается высокой герметичностью и малой вероятностью заклинивания. Ее уплотнительные кольца изнашиваются медленно, и поэтому такая конструкция имеет длительный срок службы. Кроме того, для закрытия и открытия такой клиновой задвижки не требуется прилагать большие усилия. Ее диски соединены между собой жестким креплением и обладают способностью к самоустановке при переводе в режим «закрыто». Клиновые задвижки с жестким однодисковым запирающим элементом имеют наибольшую герметичность, однако обладают несколькими достаточно серьезными недостатками. Их уплотнительные кольца быстро изнашиваются и по этой причине требуют периодической замены. При этом требуется в каждом отдельном случае подгонять седла и клинья друг под друга. Помимо этого, однодисковые клиновые задвижки не всегда хорошо выдерживают колебания температур рабочей среды и могут в некоторых случаях потерять свою герметичность. Задвижки с упругим запирающим элементом — это ни что иное, как модифицированный вариант двухдисковых. В них составные части клина соединены между собой нежестко, что дает им возможность лучше реагировать на резкие колебания давления или температуры рабочей среды. Однако платой за это является некоторое снижение герметичности и отсутствие способности к самоустановке. Клиновые задвижки в широком ассортименте предлагает своим клиентам компания «Серебряный мир 2000». Мы уверены, что, обратившись к нам, вы всегда сможете подобрать именно ту марку этой запорной арматуры, которая Вам требуется"
Вас также могут заинтересовать
Кран шаровой полнопроходной фланцевый DN 25, PN 25 (2,5 МПа), в комплекте с ответными фланцами из стали 09Г2С, прокладками и крепежом. Класс герметичности - А. Среда - нефтеводяная смесь. Климатическо
Благодаря своим особенностям полипропиленовые трубы пользуются заслуженной популярностью. Сегодня пластиковые трубы широко используются как в гражданском, так и в промышленном строительстве. Пластиков
Баллон пропановый 50л пустой 1,6(2,5)МПа
"Задвижки клиновые соответствуют ТУ 3742-004-46578997-2007, сертифицированы, имеют разрешение на применение Ростехнадзора. Герметичность затвора по классу А, В, С, D (ГОСТ 9544-2005). Корпус изготавли
"Задвижки стальные литые клиновые PN 6,3 МПа Задвижки предназначены для установки в качестве запорного устройства при добыче, переработке и транспортировании прриродного газа, воды, пара.Среда:30с76нж
Внимание! Информация по Задвижки стальные литые клиновые PN 2,5 МПа предоставлена компанией-поставщиком Серебряный мир 2000, ЗАО. Для того, чтобы получить дополнительную информацию, узнать актуальную цену или условия постаки, нажмите ссылку «Отправить сообщение».
|