Подогреватели водоводяные ПВ, ВВП
|
Поделитесь страницей в Социальных сетях
|
|
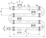
 "Горизонтальные водоводяные кожухотрубные секционные подогреватели ПВ /ВВП предназначены для систем горячего водоснабжения и отопления, в которых теплоносителем является горячая вода, получаемая от промышленных котельных с водогрейными и паровыми котлами или поступающая от тепловых магистралей ТЭЦ. Секционные подогреватели ПВ / ВВП (далее "подогреватели") состоят из кожухотрубных секций, соединённых в блоки заданной теплопроизводительности с помощью соединительных калачей. Для присоединения к трубопроводам сетевой воды между корпусами подогревателей ВВП и трубопроводами устанавливаются переходные патрубки. Каждая секция ВВП представляет собой неразборный блок, состоящий из корпуса, трубных досок, трубок поверхности теплообмена. Корпуса секций ПВ подогревателей выполняются из труб стали ст.3, ст.10 и соединяются между собой штуцерами. Разъёмное исполнение секций ПВ позволяет осуществлять организацию производства, транспортировки и сборки на месте блоков с различным числом однотипных секций в зависимости от назначения, температурного режима, площади теплообмена и т.д. В подогревателях ПВ вода, предназначенная для подогрева, движется по трубам трубной системы, а нагревающая вода движется в межтрубном пространстве с соблюдением принципа противотока. Водоводяные подогреватели ПВ / ВВП имеют возможность установки непосредственно в отопительных котельных, а также в местных и центральных тепловых пунктах, и других системах теплоснабжения. Кожухотрубные водоподогреватели ПВ могут работать и при других схемах, в которых необходимо осуществить нагрев или охлаждение жидкости."
Вас также могут заинтересовать
Принимаем заказы на изготовление и поставку водоводяных подогревателей по ГОСТ 27590-88 Подогреватель водоводяной 01-57х2-1,0-РГ-7,9 (секция) Подогреватель водоводяной 02-57х4-1,0-РГ-17,6 (секция) Под
ООО ТД «Куртамышский механический завод» производит ипоставляет теплообменники водоводяные кожухотрубные ВВП (ПВ), теплообменникипароводяные кожухотрубные ПП, трубные системы для пароводяных теплообме
Теплообменники водо-водяные кожухотрубные (ГОСТ 27590-88 ТУ 4933-002-57728543-2006 Декларация о соответствии РОСС RU.МГ01В00015) предназначены для применения в системах отопления и горячего водоснабже
ВВП 01-57-2000, ВВП 02-57-4000, ВВП 03-76-2000, ВВП 04-76-4000, ВВП 05-89-2000,ВВП 06-89-4000, ВВП 07-114-2000, ВВП 08-114-4000, ВВП 09-159-2000, ВВП 10-159-4000, Завод производит и поставляет более 2
Водоводяной подогреватель (ВВП) применяется в системах отопления и горячего водоснабжения в зданиях различного назначения.Кожухотрубные водоводяные подогреватели изготавливаются в виде отдельных секци
Внимание! Информация по Подогреватели водоводяные ПВ, ВВП предоставлена компанией-поставщиком ПК Бойлер, ООО. Для того, чтобы получить дополнительную информацию, узнать актуальную цену или условия постаки, нажмите ссылку «Отправить сообщение».
|