Затворы стальные поворотные с тройным эксцентриситетом фланцевые Ру16
|
Поделитесь страницей в Социальных сетях
|
|
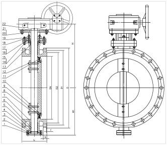
 Материал корпуса: Сталь углеродистая Т рабочей среды, °C: от -40 до +425 Ру, кгс/см2: 16 Тип управления: Редуктор Рабочая среда: - Тип присоединения: Фланцевый Климатическое исполнение: У, категория 1 по ГОСТ 15150-69 Температура окружающей среды: от - 40 оC до + 40 оС Герметичность затвора: Класс «А» ГОСТ 9544-93 Тип присоединения к трубопроводу Фланцевое (исполнение 1) по ГОСТ 12815-80 Затворы предназначены для использования в качестве запорно-регулирующей или отсечной арматуры на трубопроводах предприятий различных отраслей промышленности. Затворы могут использоваться на любых жидких или газообразных средах, нейтральных к материалам деталей, соприкасающихся со средой. Затворы не предназначены для применения на сыпучих средах. Конструкция уплотнения диска стройным эксцентриситетом. Эллиптическая уплотнительная поверхность образована конусом, ось которого наклонена к оси трубопровода. Форма уплотнения исключает любое трение между диском и седлом корпуса, детали входят в контакт только в последний момент хода, чем исключается нежелательный износ. Высокая степень герметичности достигается благодаря пакетной конструкции уплотнительного кольца диска. Пакет состоит из тонких стальных пластин с прослойками из графита. Допускается двусторонняя подача рабочей среды Основные присоединительные размеры и масса изделия ЗПД - 16Р - Ф - У1 Pу 1,6 МПа (16 кгс/см2) DN L D D1 D2 n-d b f H H1 Вес, кг 100 127 225 180 156 8-18 22 2 260 125 23 125 140 250 210 184 8-18 22 2 300 160 39 150 140 285 240 211 8-22 24 2 330 150 43 200 152 340 295 266 12-22 24 2 340 190 62,5 250 165 405 355 319 12-26 26 2 395 220 82,5 300 178 460 410 370 12-26 28 2 425 255 115 350 190 520 470 429 16-26 30 2 495 290 130 400 216 580 525 480 16-30 32 2 510 320 165 500 229 715 650 609 20-33 44 2 600 380 260 600 267 840 770 720 20-36 54 2 695 440 380 700 292 910 840 794 24-36 40 5 770 555 500 800 318 1025 950 901 24-39 42 5 830 605 660 1000 410 1255 1170 1112 28-42 46 5 1030 720 1050 1200 470 1485 1395 1328 32-48 52 5 1200 830 1450
Вас также могут заинтересовать
Давление условное: Ру 16 кгс/см2 Тип присоединения: фланцевое (исп.1). Тип управления: ручной (редуктор). Климатическое исполнение У1 ГОСТ 15150. Материал корпуса: углеродистая сталь 20Л. Рабочая сред
Давление условное: Ру 16 кгс/см2 Тип присоединения: фланцевый (исп. 1). Тип управления: ручной (редуктор). Климатическое исполнение У1 ГОСТ 15150. Материал корпуса: углеродистая сталь 20Л. Рабочая сре
Давление условное: Ру 16 кгс/см2 Тип присоединения: под приварку. Тип управления: ручной (редуктор). Климатическое исполнение У1 ГОСТ 15150. Материал корпуса: углеродистая сталь 20Л. Рабочая среда - в
在AFC管道零件厂,已经掌握了三偏心DN 50 - DN 1600,PN 10,PN 16,PN 25蝶阀的生产。 三偏心阀系列包括: - 3偏心法兰蝶阀; - 3偏心法兰蝶阀; - 用于焊接(焊接)的 3 偏心蝶阀。 联系人:valvetina@163.com
蝶阀,钢和不锈钢,带法兰连接或焊接,100%双面密封,带齿轮箱或电驱动,DN50-1200,中国便宜。 valvetina@163.com www.armzatvor.com
Внимание! Информация по Затворы стальные поворотные с тройным эксцентриситетом фланцевые Ру16 предоставлена компанией-поставщиком БалтикПро, ООО. Для того, чтобы получить дополнительную информацию, узнать актуальную цену или условия постаки, нажмите ссылку «Отправить сообщение».
|