Поиск:
 

Спектр-автоматика, ООО - о компании

RU-1000 Рейтинг
Поделитесь страницей в Социальных сетях
Особенной чертой нашего предприятия является то, что вся продукция, выпускаемая нами, проходит полный цикл производства: от разработки до выпуска. Производимая нами продукция - исключительно наши разработки. Строгий контроль на каждом этапе - это гарантия качества и стабильности на рынке. Производственные мощности состоят из нескольких участков. Испытания проводятся на специализированных стендах, все поставляемые комплектующие, материалы и оборудование проходят тщательный отбор и технический анализ.

Предложения компании

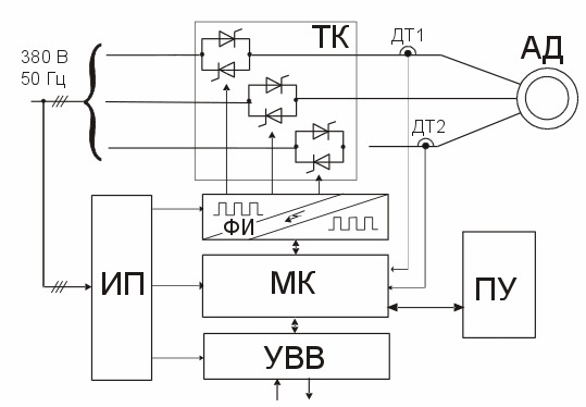
Устройство плавного пуска STROМ SТ3 представляет собой нереверсивный трехфазный тиристорный коммутатор (ТК) с многофункциональной системой управления...
Подробно >>

Поставщик: Спектр-автоматика, ООО

Питание АЗРУ-2 производится от промышленной трехфазной сети 380В (-15 +10) 50Гц. При выходе значений питающего напряжения за пределы (-15 +10%) от ном...
Подробно >>

Поставщик: Спектр-автоматика, ООО

Контакты компании
Спектр-автоматика, ООО
Страна
Россия
Регион
Ленинградская область
Город
Санкт-Петербург
Адрес
Санкт-Петербург, ул. Гвардейская, д. 7
Телефон
+7 (812) 6422358
Сделать запрос
Введите свое имя
Укажите свой Email
Напишите ваш вопрос
Подтвердите согласие