Поиск:
 

ЮФО ЭлектромонтажСетьСтрой, ООО - о компании

RU-1000 Рейтинг
Поделитесь страницей в Социальных сетях
"Находясь на внутреннем рынке Южного Федерального Округа «Общество с Ограниченной Ответственностью «ЮФО ЭлектромонтажСетьСтрой» зарекомендовало себя как добросовестная и исполнительная фирма в области электромонтажных работ, напряжением до и выше 1000В с применением инновационных технологий, что является результатом деятельности по реализации нового и усовершенствования реализуемого на рынке продукта, технологического процесса и организационно-технических мероприятий, используемых в практической деятельности. Высококвалифицированный персонал ООО «ЮФО ЭлектромонтажСетьСтрой» имеющий большой опыт работы в энергетике, выполнит для Вас все виды монтажных и наладочных работ 0,4/6/10/35 кВ качественно и в установленный срок.Доверяйте электромонтаж только квалифицированным специалистам! Не стоит экономить на услугах электромонтажных организаций, так как от качества электромонтажных работ зависит не только правильная работа электроустановок, но и безопасность рабочего персонала. Мы организуем производство электромонтажных работ согласно - ПУЭ (Правила Устройства Электроустановок); - СНиП (Строительные нормы и правила). ООО «ЮФО ЭлектромонтажСетьСтрой», занимаясь выполнением электромонтажных работ на внутреннем рынке Волгоградской области, так же успешно ведет продажу и техническое обслуживание поставляемого высоковольтного и низковольтного оборудования по южному федеральному округу и за его пределами. Адрес электронной почты: ufo-stroy@bk.ru Сайт компании: http://ufo-stroy.ru/ С Уважением, надеждой на новое сотрудничество Директор ООО «ЮФО ЭлектромонтажСетьСтрой» Ларин М.В."

Предложения компании

"Предназначен для защиты от прямых ударов молнии и индуктированных грозовых перенапряжений воздушных линий электропередачи (ВЛ) и подходов к подстанци...
Подробно >>

Поставщик: ЮФО ЭлектромонтажСетьСтрой, ООО

Нет фото

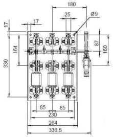
Рубильник серии РС со смещенным (боковым) приводом ПРБ Рубильник РС предназначен для неавтоматических включений и отключений силовых электрических цеп...
Подробно >>

Поставщик: ЮФО ЭлектромонтажСетьСтрой, ООО

"Измерение и учет активной и реактивной энергии в одном направлении в трехфазных сетях переменного тока частотой 50 Гц. Счетчик измеряет параметры тре...
Подробно >>

Поставщик: ЮФО ЭлектромонтажСетьСтрой, ООО

Разрядник предназначен для защиты ВЛ напряжением 6, 10 кВ трехфазного переменного тока с защищёнными и неизолированными проводами от индуктированных г...
Подробно >>

Поставщик: ЮФО ЭлектромонтажСетьСтрой, ООО

Однофазныe многотарифные МЕРКУРИЙ 203.2T Учет активной электроэнергии в сетях 230В. Класс точности 1,0. Номин.(макс.) ток 5(60)А или 10(100)A. Индикац...
Подробно >>

Поставщик: ЮФО ЭлектромонтажСетьСтрой, ООО

Контакты компании
ЮФО ЭлектромонтажСетьСтрой, ООО
Страна
Россия
Регион
Волгоградская область
Город
Волгоград
Адрес
Волгоград, ул. Депутатская, д.11 А, оф. 8
Телефон
+7 (8442) 765715
Интернет
ufo-stroy.ru
Сделать запрос
Введите свое имя
Укажите свой Email
Напишите ваш вопрос
Подтвердите согласие